您当前的位置:首页 > 产品中心 > 无极变速机
下一篇:UDT摩擦无级变速器型号选型,UDT摩擦无级变速器尺寸参数
详细介绍:
东莞台机减速机公司生产厂家制造销售的NMRV减速机,UDL无极变速机,异步电机采用进口原材料,台湾生产加工技术,拥有十多年生产研发经验,公司通过ISO9001质量管理体系认证和CE认证,质量放心可靠。一、NMRV减速机,UDL无极变速机,异步电机安装:
1、输出轴在加装联轴器、皮带轮、链轮等时,请勿重击。应用输出轴外端螺孔,旋入螺钉,压入联接件。
2、在基础上安装底座式无级变速机时应校准该机的安装中心线标高,水平度及相联部件的相关尺寸,校准传动轴的同轴度不应超过联轴器允许的范围。
3、立式MB无级变速机可任意角度安装,油位必须超过较高一侧的油标中心线。

二、NMRV减速机,UDL无极变速机,异步电机使用:
1、在使用前,无级变速机和减速机应分别加入指定的润滑油。
2、MB无级变速机工作环境的温度不超过40摄氏度,工作油温表面不得超过70摄氏度。如较高的输入转数和新机使用时会出现略高的温升,经饱和运转80小时后,温升逐渐降低,此后,温升高于环境温度20℃—25℃并保持稳定温升。
3、MB无级变速机必须在开机情况下方可调速,否则将损坏零件。
4、无级变速机出厂时,调速限位螺钉已经调整在极限位置,不得任意调整,以免损坏零件。
5、无级变速机不得超过额定转矩T使用。
6、无级变速机适用于正反两向运转。
7、如更换电机,应保留原装油封的电机法兰,以免润滑油滑入电机。

NMRV减速机,UDL无极变速机,异步电机广泛应用于食品机械、化工机械、印刷机械、造纸机械、纺织机械、橡胶机械、塑料机械、陶瓷机械、制药机械及各种工作生产流水线中的要求工艺参数多变和速度连续变化的场合,还具备了在新产品试制过程中探求机器最佳的工作速度。
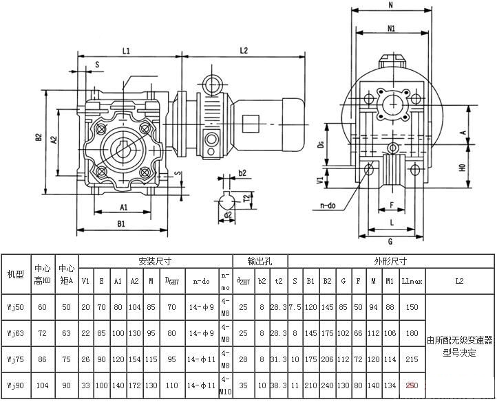
以下是NMRV减速机,UDL无极变速机,异步电机外形及安装尺寸参数




